مضخة خط الأنابيب IRG ISW ISWB هي مضخة طرد مركزي عمودية. إنها مناسبة لضخ المياه النظيفة بدون جزيئات كاشطة، وسوائل غير قابلة للتآكل كيميائيًا لمواد المضخة. يمكن استخدام هذه السلسلة لتزويد ونقل المياه في أنظمة التبريد والتدفئة والتدوير وتكييف الهواء، بالإضافة إلى تطبيقات مكافحة الحرائق والتطبيقات الصناعية. يجب تركيب المضخات في الداخل أو على الأقل في مكان محمي من الطقس.
1. الحد الأقصى لضغط نظام الضخ هو 1.6 ميجا باسكال، أي أن الضغط عند مدخل المضخة + ضغط المضخة هو 1.6 ميجا باسكال. (عند الطلب، يرجى الإشارة إلى ضغط تشغيل النظام، ضغط تشغيل نظام المضخة أكثر من 1.6 ميجا باسكال، عند تقديم الطلب بشكل منفصل. الأجزاء المتدفقة والمتصلة للمضخة أثناء التصنيع مصنوعة من الحديد الزهر.)
2. البيئة القابلة للتطبيق: مادة صلبة غير قابلة للذوبان بمحتوى حجمي لا يزيد عن 0.1% لكل وحدة حجم وحجم جسيم لا يزيد عن 0.2 مم (يجب أن يكون الوسط الذي يحتوي على جزيئات صغيرة محكمًا ميكانيكيًا مقاومًا للتآكل، كما يجب الإشارة إليه عند الطلب).
3. درجة الحرارة المحيطة لا تتجاوز 40 درجة مئوية، ودرجة الحرارة النسبية لا تتجاوز 95 درجة مئوية، والارتفاع فوق مستوى سطح البحر لا يتجاوز 1000 متر.
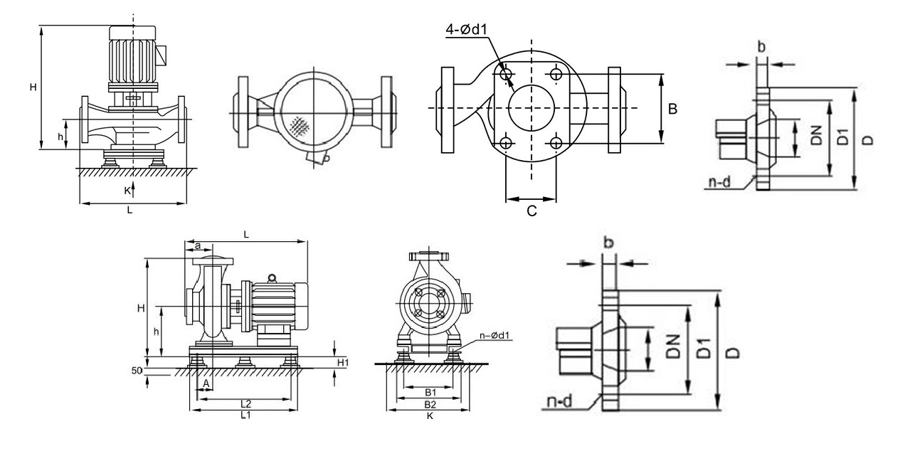
انها وراء 50 - 160 - 3
① IRG: مضخة خط أنابيب عمودية
② 50: العيار (مم)
③ 160: قطر الإيرينج (مم)
④ 3: الطاقة (كيلوواط)
| يكتب | تيار س | جهد m |
كفاءة (%) |
التزامن سرعة الدوران ص / دقيقة |
محرك كهربائي قوة كيلوواط |
العرض الإلزامي للتجويف (م) |
تركيب سجل عمودي | حجم المضخة الأفقية | حجم الشفة | عزل الاهتزاز | H1 | |||||||||||||
| م³/ساعة | ل / ث | H | L | h | B | C | H | h | a | L1 | L | L2 | ب1 | D | د1 | اختصار الثاني | مواصفة | |||||||
| 25-125 |
2.8 4 5.2 |
0.78 1.11 1.44 |
20.6 20 18 |
28 36 35 |
2900 | 0.75 | 2.3 | 430 | 275 | 70 | 80 | 50 | 320 | 180 | 90 | 405 | 445 | 210 | 260 | Φ115 | Φ85 | 4-F16 | SD41-0.5 | 20 |
| 25-125 أ |
2.5 3.6 4.6 |
0.69 1.0 1.28 |
17 16 14.4 |
27 35 34 |
2900 | 0.75 | 2.3 | 430 | 275 | 70 | 80 | 50 | 320 | 180 | 90 | 405 | 445 | 210 | 260 | Φ115 | Φ85 | 4-F16 | SD41-0.5 | 20 |
| 25-160 |
2.8 4 5.2 |
0.78 1.11 1.44 |
33 32 30 |
24 32 33 |
2900 | 1.5 | 2.3 | 455 | 320 | 75 | 100 | 60 | 320 | 180 | 90 | 440 | 470 | 250 | 300 | Φ115 | Φ85 | 4-F16 | SD41-0.5 | 20 |
| 25-160 أ |
2.6 3.7 4.9 |
0.72 1.03 1.36 |
29 28 26 |
22 31 32 |
2900 | 1.1 | 2.3 | 440 | 320 | 75 | 100 | 60 | 320 | 180 | 90 | 440 | 455 | 250 | 300 | Φ115 | Φ85 | 4-F16 | SD41-0.5 | 20 |
| 32-125 |
3.5 5 6.5 |
0.97 1.39 1.8 |
22 20 18 |
40 44 42 |
2900 | 0.75 | 2.3 | 445 | 270 | 75 | 100 | 60 | 320 | 180 | 90 | 440 | 455 | 250 | 310 | Φ140 | Φ100 | 4-F16 | SD41-0.5 | 20 |
| 32-125 أ |
3.1 4.5 5.8 |
0.86 1.25 1.61 |
17.6 16 14.4 |
38 42 40 |
2900 | 0.75 | 2.3 | 445 | 270 | 75 | 100 | 60 | 320 | 180 | 90 | 440 | 455 | 250 | 310 | Φ140 | Φ100 | 4-F16 | SD41-0.5 | 20 |
| يكتب | تيار س | جهد m |
كفاءة (%) |
التزامن سرعة الدوران ص / دقيقة |
محرك كهربائي قوة كيلوواط |
العرض الإلزامي للتجويف (م) |
تركيب سجل عمودي | حجم المضخة الأفقية | حجم الشفة | عزل الاهتزاز | H1 | |||||||||||||
| م³/ساعة | ل / ث | H | L | h | B | C | H | h | a | L1 | L | L2 | ب1 | D | د1 | اختصار الثاني | مواصفة | |||||||
| 40-100 |
4.4 6.3 8.3 |
1.22 1.75 2.31 |
13.2 12.5 11.3 |
48 54 53 |
2900 | 0.75 | 2.3 | 410 | 270 | 85 | 120 | 70 | 260 | 145 | 95 | 405 | 460 | 260 | 125 | Φ150 | Φ110 | 4-F18 | SD41-0.5 | 20 |
| 40-100A |
3.9 5.6 7.4 |
1.08 1.56 2.06 |
10.6 10 9 |
45 52 50 |
2900 | 0.75 | 2.3 | 410 | 270 | 85 | 120 | 70 | 260 | 145 | 95 | 405 | 460 | 260 | 125 | Φ150 | Φ110 | 4-F18 | SD41-0.5 | 20 |
| 40-125 |
4.4 6.3 8.3 |
1.22 1.75 2.31 |
21 20 18 |
41 46 43 |
2900 | 1.1 | 2.3 | 410 | 285 | 85 | 120 | 70 | 305 | 165 | 80 | 405 | 445 | 210 | 260 | Φ150 | Φ110 | 4-F18 | SD41-0.5 | 20 |
| 40-125 أ |
3.9 5.6 7.4 |
1.08 1.56 2.06 |
17.6 16 14.4 |
40 45 41 |
2900 | 0.75 | 2.3 | 410 | 285 | 85 | 120 | 70 | 305 | 165 | 80 | 405 | 445 | 210 | 260 | Φ150 | Φ110 | 4-F18 | SD41-0.5 | 20 |
| 40-160 |
4.4 6.3 8.3 |
1.22 1.75 2.31 |
33 32 30 |
35 40 40 |
2900 | 2.2 | 2.3 | 445 | 325 | 80 | 120 | 70 | 375 | 210 | 85 | 455 | 489 | 250 | 310 | Φ150 | Φ110 | 4-F18 | SD41-0.5 | 20 |
| 40-160 أ |
4.1 5.9 7.8 |
1.44 1.64 2.17 |
29 28 26.3 |
34 39 39 |
2900 | 1.5 | 2.3 | 420 | 325 | 80 | 120 | 70 | 375 | 210 | 85 | 455 | 465 | 250 | 310 | Φ150 | Φ110 | 4-F18 | SD41-0.5 | 20 |
| 40-160 ب |
3.8 5.5 7.2 |
1.06 1.53 2.0 |
25.5 24 225 |
34 38 37 |
2900 | 1.1 | 2.3 | 405 | 325 | 80 | 120 | 70 | 370 | 205 | 85 | 455 | 450 | 210 | 260 | Φ150 | Φ110 | 4-F18 | SD41-0.5 | 20 |
| يكتب | تيار س | جهد m |
كفاءة (%) |
التزامن سرعة الدوران ص / دقيقة |
محرك كهربائي قوة كيلوواط |
التجويف الإلزامي الباقي (م) |
تركيب المضخات العمودية | حجم المضخة الأفقية | حجم الشفة | عزل الاهتزاز | H1 | |||||||||||||||
| م³/ساعة | ل / ث | H | L | h | B | C | H | h | a | L1 | L | L2 | ب1 | D | د1 | اختصار الثاني | مواصفة | |||||||||
| 40-200 |
4.4 6.3 8.3 |
1.22 1.75 2.31 |
51 50 48 |
26 33 32 |
2900 | 4 | 2.3 | 525 | 345 | 70 | 130 | 80 | 405 | 230 | 85 | 490 | 560 | 300 | 350 | Φ150 | Φ110 | 4-F18 | SD41-0.5 | 20 | ||
| 40-200A |
4.1 5.9 7.8 |
1.14 1.64 2.17 |
45 44 42 |
26 31 30 |
2900 | 3 | 2.3 | 495 | 345 | 70 | 130 | 80 | 405 | 230 | 85 | 490 | 530 | 300 | 350 | Φ150 | Φ110 | 4-F18 | SD41-0.5 | 20 | ||
| 40-200ب |
3.7 5.3 7.0 |
1.08 1.47 1.94 |
38 36 34.5 |
23 29 24 |
2900 | 2.2 | 2.3 | 470 | 345 | 90 | 130 | 80 | 395 | 220 | 85 | 455 | 505 | 280 | 310 | Φ150 | Φ110 | 4-F18 | SD41-0.5 | 20 | ||
| 40-250 |
4.4 6.3 8.3 |
1.22 1.75 2.31 |
82 80 75 |
24 28 28 |
2900 | 7.5 | 2.3 | 580 | 405 | 100 | 130 | 80 | 455 | 255 | 80 | 540 | 625 | 340 | 380 | Φ150 | Φ110 | 4-F18 | SD41-0.5 | 20 | ||
| 40-250A |
4.1 5.9 7.8 |
1.14 1.64 2.17 |
72 70 65 |
24 28 27 |
2900 | 5.5 | 2.3 | 580 | 405 | 100 | 130 | 80 | 455 | 255 | 80 | 540 | 625 | 340 | 380 | Φ150 | Φ110 | 4-F18 | SD41-0.5 | 20 | ||
| 40-250ب |
3.8 5.5 7.0 |
1.06 1.53 1.94 |
61.5 60 56 |
23 27 26 |
2900 | 4 | 2.3 | 535 | 405 | 100 | 130 | 80 | 455 | 255 | 80 | 540 | 570 | 340 | 380 | Φ150 | Φ110 | 4-F18 | SD41-0.5 | 20 | ||
| 40-100(ط) |
8.8 12.5 16.3 |
2.44 3.47 4.53 |
13.2 12.5 11.3 |
55 62 60 |
2900 | 1.1 | 2.3 | 420 | 300 | 95 | 120 | 70 | 290 | 145 | 80 | 405 | 470 | 210 | 260 | Φ150 | Φ110 | 4-F18 | SD41-0.5 | 20 | ||
| يكتب | تيار س | جهد m |
كفاءة (%) |
التزامن سرعة الدوران ص / دقيقة |
محرك كهربائي قوة كيلوواط |
العرض الإلزامي للتجويف (م) |
تركيب سجل عمودي | حجم المضخة الأفقية | حجم الشفة | عزل الاهتزاز | H1 | ||||||||||||||
| م³/ساعة | ل / ث | H | L | h | B | C | H | h | a | L1 | L | L2 | ب1 | D | د1 | اختصار الثاني | مواصفة | ||||||||
| 40-100(ط)أ |
8 11 14.5 |
2.22 3.05 4.06 |
10.6 10 9 |
52 60 56 |
2900 | 0.75 | 2.3 | 420 | 300 | 95 | 120 | 70 | 290 | 145 | 80 | 405 | 470 | 210 | 260 | Φ150 | Φ110 | 4-F18 | SD41-0.5 | 20 | |
| 40-125(ط) |
8.8 12.6 16.3 |
2.44 3.47 4.53 |
21.2 20 17.8 |
49 58 57 |
2900 | 1.5 | 2.3 | 430 | 305 | 90 | 120 | 70 | 320 | 170 | 90 | 440 | 480 | 250 | 300 | Φ150 | Φ110 | 4-F18 | SD41-0.5 | 20 | |
| 40-125(ط)أ |
8 11 14.5 |
2.22 3.05 4.03 |
17 16 14 |
47 57 54 |
2900 | 1.1 | 2.3 | 415 | 305 | 90 | 120 | 70 | 315 | 165 | 90 | 440 | 465 | 210 | 260 | Φ150 | Φ110 | 4-F18 | SD41-0.5 | 20 | |
| 40-160(ط) |
8.8 12.5 16.3 |
2.44 3.47 4.53 |
33 32 30 |
45 52 52 |
2900 | 3.0 | 2.3 | 505 | 325 | 100 | 130 | 80 | 380 | 220 | 85 | 485 | 540 | 280 | 320 | Φ150 | Φ110 | 4-F18 | SD41-0.5 | 20 | |
| 40-160(ط)أ |
8.2 11.7 15.2 |
2.28 3.25 4.22 |
29 28 26 |
44 41 50 |
2900 | 2.2 | 2.3 | 465 | 325 | 100 | 130 | 80 | 380 | 220 | 85 | 455 | 495 | 280 | 310 | Φ150 | Φ110 | 4-F18 | SD41-0.5 | 20 | |
| 40-160(ط)ب |
7.8 10.4 13.5 |
2.38 2.89 3.75 |
23 22 20.5 |
44 49 47 |
2900 | 1.5 | 2.3 | 440 | 325 | 100 | 130 | 80 | 380 | 220 | 85 | 455 | 495 | 280 | 310 | Φ150 | Φ110 | 4-F18 | SD41-0.5 | 20 | |
| يكتب | تيار س | جهد m |
كفاءة (%) |
التزامن سرعة الدوران ص / دقيقة |
محرك كهربائي قوة كيلوواط |
العرض الإلزامي للتجويف (م) |
تركيب سجل عمودي | حجم المضخة الأفقية | حجم الشفة | عزل الاهتزاز | H1 | |||||||||||||
| م³/ساعة | ل / ث | H | L | h | B | C | H | h | a | L1 | L | L2 | ب1 | D | د1 | اختصار الثاني | مواصفة | |||||||
| 40-200(ط) |
8.8 12.5 16.3 |
2.44 3.47 4.53 |
51.2 50 48 |
38 46 46 |
2900 | 5.5 | 2.3 | 580 | 345 | 95 | 130 | 80 | 400 | 220 | 100 | 535 | 590 | 340 | 340 | Φ150 | Φ110 | 4-F18 | SD41-0.5 | 20 |
| 40-200(ط)أ |
8.3 11.7 15.3 |
2.31 3.25 4.25 |
45 44 42 |
37 45 45 |
2900 | 4 | 2.3 | 530 | 345 | 95 | 130 | 80 | 400 | 220 | 100 | 490 | 580 | 300 | 340 | Φ150 | Φ110 | 4-F18 | SD41-0.5 | 20 |
| 40-200(ط)ب |
7.5 10.6 13.8 |
2.08 2.94 3.83 |
37 36 34 |
35 44 42 |
2900 | 3 | 2.3 | 500 | 345 | 95 | 130 | 80 | 410 | 230 | 100 | 490 | 550 | 300 | 340 | Φ150 | Φ110 | 4-F18 | SD41-0.5 | 20 |
| 40-250 (ط) |
8.8 12.5 16.3 |
2.44 3.47 4.53 |
81.2 80 77.5 |
31 38 40 |
2900 | 11 | 2.3 | 675 | 440 | 100 | 160 | 100 | 495 | 270 | 100 | 640 | 735 | 430 | 430 | Φ150 | Φ110 | 4-F18 | SD41-0.5 | 20 |
| 40-250(ط)أ |
8.2 11.6 15.2 |
2.28 3.22 4.22 |
71 70 68 |
28 38 39 |
2900 | 7.5 | 2.3 | 585 | 440 | 100 | 160 | 100 | 480 | 255 | 100 | 540 | 645 | 340 | 380 | Φ150 | Φ110 | 4-F18 | SD41-0.5 | 20 |
| 40-250(ط)ب |
7.6 10.8 14 |
2.11 3 3.89 |
61.4 60 58 |
28 37 37 |
2900 | 7.5 | 2.3 | 585 | 440 | 100 | 160 | 100 | 480 | 255 | 100 | 540 | 645 | 340 | 380 | Φ150 | Φ110 | 4-F18 | SD41-0.5 | 20 |
| يكتب | تيار س | جهد m |
كفاءة (%) |
التزامن سرعة الدوران ص / دقيقة |
محرك كهربائي قوة كيلوواط |
العرض الإلزامي للتجويف (م) |
تركيب سجل عمودي | حجم المضخة الأفقية | حجم الشفة | عزل الاهتزاز | H1 | |||||||||||||
| م³/ساعة | ل / ث | H | L | h | B | C | H | h | a | L1 | L | L2 | ب1 | D | د1 | اختصار الثاني | مواصفة | |||||||
| 40-250(ط)ج |
7.1 10 13.1 |
1.97 2.78 3.64 |
53.2 52 50.4 |
26 36 35 |
2900 | 5.5 | 2.3 | 585 | 440 | 100 | 160 | 100 | 480 | 255 | 100 | 540 | 645 | 340 | 380 | Φ150 | Φ110 | 4-F18 | SD41-0.5 | 20 |
| 50-100 |
8.8 12.5 16.3 |
2.44 3.47 4.53 |
13.6 12.5 11.3 |
55 62 60 |
2900 | 1.1 | 2.3 | 420 | 300 | 95 | 120 | 70 | 290 | 145 | 80 | 405 | 470 | 210 | 260 | Φ165 | Φ125 | 4-F18 | SD41-0.5 | 20 |
| 50-100A |
8 11 14.5 |
2.22 3.05 4.03 |
11 10 9 |
52 60 56 |
2900 | 0.75 | 2.3 | 420 | 300 | 95 | 120 | 70 | 290 | 145 | 80 | 405 | 470 | 210 | 260 | Φ165 | Φ125 | 4-F18 | SD41-0.5 | 20 |
| 50-125 |
8.8 12.5 16.3 |
2.44 3.47 4.53 |
21.5 20 17.8 |
49 58 57 |
2900 | 1.5 | 2.3 | 430 | 305 | 90 | 120 | 70 | 320 | 170 | 90 | 440 | 480 | 250 | 300 | Φ165 | Φ125 | 4-F18 | SD41-0.5 | 20 |
| 50-125 أ |
8 11 14.5 |
2.22 3.05 4.03 |
17 16 14 |
47 57 54 |
2900 | 1.1 | 2.3 | 415 | 305 | 90 | 120 | 70 | 315 | 165 | 90 | 405 | 465 | 210 | 260 | Φ165 | Φ125 | 4-F18 | SD41-0.5 | 20 |
| 50-160 |
8.8 12.5 16.3 |
2.44 3.47 4.53 |
33 32 30 |
45 52 51 |
2900 | 3 | 2.3 | 505 | 325 | 100 | 130 | 80 | 385 | 220 | 85 | 485 | 535 | 280 | 320 | Φ165 | Φ125 | 4-F18 | SD41-0.5 | 20 |
| 50-160A |
8.2 11.7 15.2 |
2.28 3.25 4.22 |
29 28 26 |
44 51 50 |
2900 | 2.2 | 2.3 | 465 | 325 | 100 | 130 | 80 | 385 | 220 | 85 | 455 | 495 | 280 | 310 | Φ165 | Φ125 | 4-F18 | SD41-0.5 | 20 |
| يكتب | تيار س | جهد m |
كفاءة (%) |
التزامن سرعة الدوران ص / دقيقة |
محرك كهربائي قوة كيلوواط |
العرض الإلزامي للتجويف (م) |
تركيب سجل عمودي | حجم المضخة الأفقية | حجم الشفة | عزل الاهتزاز | H1 | |||||||||||||
| م³/ساعة | ل / ث | H | L | h | B | C | H | h | a | L1 | L | L2 | ب1 | D | د1 | اختصار الثاني | مواصفة | |||||||
| 50-160 ب |
7.3 10.4 13.5 |
2.38 2.89 2.75 |
23 22 20.5 |
42 49 47 |
2900 | 1.5 | 2.3 | 440 | 325 | 100 | 130 | 80 | 385 | 220 | 85 | 455 | 470 | 280 | 310 | Φ165 | Φ125 | 4-F18 | SD41-0.5 | 20 |
| 50-200 |
8.8 12.5 16.3 |
2.44 3.47 4.53 |
52 45 45 |
38 46 46 |
2900 | 5.5 | 2.3 | 580 | 345 | 95 | 130 | 80 | 400 | 220 | 85 | 535 | 635 | 340 | 340 | Φ165 | Φ125 | 4-F18 | SD41-0.5 | 20 |
| 50-200A |
8.3 11.7 15.3 |
2.31 3.25 4.25 |
45.8 44 42 |
37 45 45 |
2900 | 4 | 2.3 | 530 | 345 | 95 | 130 | 80 | 400 | 220 | 85 | 490 | 580 | 300 | 340 | Φ165 | Φ125 | 4-F18 | SD41-0.5 | 20 |
| 50-200ب |
7.5 10.6 13.8 |
2.08 2.94 3.83 |
37 36 34 |
35 44 42 |
2900 | 3 | 2.3 | 500 | 345 | 100 | 130 | 80 | 400 | 220 | 85 | 490 | 555 | 300 | 340 | Φ165 | Φ125 | 4-F18 | SD41-0.5 | 20 |
| 50-250 |
8.8 12.5 16.3 |
2.44 3.47 4.53 |
82 80 77.5 |
29 25 40 |
2900 | 11 | 2.3 | 685 | 445 | 110 | 160 | 100 | 495 | 270 | 100 | 640 | 735 | 430 | 430 | Φ165 | Φ125 | 4-F18 | SD41-0.5 | 20 |
| 50-250A |
8.2 11.6 15.2 |
2.28 3.22 4.22 |
71.5 70 68 |
28 38 39 |
2900 | 7.5 | 2.3 | 595 | 445 | 110 | 160 | 100 | 480 | 255 | 100 | 540 | 645 | 340 | 380 | Φ165 | Φ125 | 4-F18 | SD41-0.5 | 20 |
| يكتب | تيار س | جهد m |
كفاءة (%) |
التزامن سرعة الدوران ص / دقيقة |
محرك كهربائي قوة كيلوواط |
العرض الإلزامي للتجويف (م) |
تركيب سجل عمودي | حجم المضخة الأفقية | حجم الشفة | عزل الاهتزاز | H1 | |||||||||||||
| م³/ساعة | ل / ث | H | L | h | B | C | H | h | a | L1 | L | L2 | ب1 | D | د1 | اختصار الثاني | مواصفة | |||||||
| 50-250 ب |
7.6 10.8 14 |
2.11 3 3.89 |
61.4 60 58 |
28 37 37 |
2900 | 7.5 | 2.3 | 595 | 445 | 110 | 160 | 100 | 480 | 255 | 100 | 540 | 645 | 340 | 380 | Φ165 | Φ125 | 4-F18 | SD41-0.5 | 20 |
| 50-250 درجة مئوية |
7.1 10 13.1 |
1.97 2.78 3.64 |
53.2 52 50.4 |
26 36 35 |
2900 | 5.5 | 2.3 | 595 | 445 | 110 | 160 | 100 | 480 | 255 | 100 | 540 | 645 | 340 | 380 | Φ165 | Φ125 | 4-F18 | SD41-0.5 | 20 |
| 50-100(ط) |
17.5 25 |
4.86 6.94 |
13.7 12.5 |
67 69 |
2900 | 1.5 | 2.5 | 440 | 320 | 100 | 160 | 100 | 370 | 210 | 95 | 440 | 510 | 300 | 350 | Φ165 | Φ125 | 4-F18 | SD41-0.5 | 20 |
| 50-100(ط)أ |
15.6 22.3 29 |
4.3 6.19 8.1 |
11 10 8.4 |
65 67 68 |
2900 | 1.1 | 2.5 | 425 | 320 | 100 | 160 | 100 | 370 | 210 | 95 | 440 | 470 | 250 | 300 | Φ165 | Φ125 | 4-F18 | SD41-0.5 | 20 |
| 50-125(ط) |
17.5 25 32.5 |
4.86 6.94 9.03 |
21.5 20 18 |
60 68 67 |
2900 | 3 | 2.5 | 480 | 345 | 105 | 160 | 100 | 365 | 220 | 105 | 455 | 555 | 280 | 310 | Φ165 | Φ125 | 4-F18 | SD41-0.5 | 20 |
| 50-125(ط)أ |
15.6 22.3 |
4.33 6.19 |
17 16 |
58 66 |
2900 | 2.2 | 2.5 | 480 | 345 | 105 | 160 | 100 | 365 | 220 | 105 | 455 | 515 | 280 | 310 | Φ165 | Φ125 | 4-F18 | SD41-0.5 | 20 |
| 50-160(ط) |
17.5 25 32.5 |
4.86 6.94 9.03 |
34.4 32 27.5 |
54 63 60 |
2900 | 4 | 2.5 | 540 | 365 | 105 | 160 | 100 | 405 | 230 | 80 | 505 | 665 | 280 | 350 | Φ165 | Φ125 | 4-F18 | SD41-0.5 | 20 |
| يكتب | تيار س | جهد m |
كفاءة (%) |
التزامن سرعة الدوران ص / دقيقة |
محرك كهربائي قوة كيلوواط |
العرض الإلزامي للتجويف (م) |
تركيب سجل عمودي | حجم المضخة الأفقية | حجم الشفة | عزل الاهتزاز | H1 | |||||||||||||
| م³/ساعة | ل / ث | H | L | h | B | C | H | h | a | L1 | L | L2 | ب1 | D | د1 | اختصار الثاني | مواصفة | |||||||
| 50-160(ط)أ |
16.4 23.4 30.4 |
4.56 6.5 8.44 |
30 28 24 |
54 52 59 |
2900 | 4 | 2.3 | 540 | 365 | 105 | 160 | 100 | 405 | 230 | 80 | 505 | 665 | 300 | 350 | Φ165 | Φ125 | 4-F18 | SD41-0.5 | 20 |
| 50-160(ط)ب |
15 21.6 28 |
4.17 6 7.78 |
26 24 20.6 |
49 58 54 |
2900 | 3 | 2.3 | 510 | 365 | 105 | 160 | 100 | 405 | 230 | 85 | 505 | 640 | 300 | 350 | Φ165 | Φ125 | 4-F18 | SD41-0.5 | 20 |
| 50-200(ط) |
17.5 25 32.5 |
4.86 6.94 9.03 |
52.7 50 45.5 |
49 58 59 |
2900 | 7.5 | 2.3 | 595 | 390 | 105 | 160 | 100 | 405 | 220 | 100 | 535 | 640 | 340 | 340 | Φ165 | Φ125 | 4-F18 | SD41-0.5 | 20 |
| 50-200(ط)أ |
16.4 23.5 30.5 |
4.56 6.53 8.47 |
46.4 44 40 |
48 57 58 |
2900 | 7.5 | 2.3 | 595 | 390 | 105 | 160 | 100 | 405 | 220 | 100 | 535 | 640 | 340 | 340 | Φ165 | Φ125 | 4-F18 | SD41-0.5 | 20 |
| 50-200(ط)ب |
15.2 21.8 28.3 |
4.22 6.06 7.86 |
40 38 34.5 |
45 55 55 |
2900 | 5.5 | 2.3 | 595 | 390 | 105 | 160 | 100 | 405 | 220 | 100 | 535 | 640 | 340 | 340 | Φ165 | Φ125 | 4-F18 | SD41-0.5 | 20 |
| 50-250(ط) |
17.5 25 32.5 |
4.86 6.94 9.03 |
82 80 76.5 |
39 50 52 |
2900 | 15 | 2.3 | 695 | 485 | 120 | 180 | 120 | 515 | 270 | 105 | 695 | 740 | 430 | 440 | Φ165 | Φ125 | 4-F18 | SD41-0.5 | 20 |
| 50-250(ط)أ |
16.4 23.4 30.5 |
4.56 6.5 8.47 |
71.5 70 67 |
39 50 52 |
2900 | 11 | 2.3 | 695 | 485 | 120 | 180 | 120 | 515 | 270 | 105 | 695 | 740 | 430 | 440 | Φ165 | Φ125 | 4-F18 | SD41-0.5 | 20 |
| يكتب | تيار س | جهد m |
كفاءة (%) |
التزامن سرعة الدوران ص / دقيقة |
محرك كهربائي قوة كيلوواط |
العرض الإلزامي للتجويف (م) |
تركيب سجل عمودي | حجم المضخة الأفقية | حجم الشفة | عزل الاهتزاز | H1 | |||||||||||||
| م³/ساعة | ل / ث | H | L | h | B | C | H | h | a | L1 | L | L2 | ب1 | D | د1 | اختصار الثاني | مواصفة | |||||||
| 50-250(ط)ب |
15 21.6 28 |
4.17 6 7.78 |
61 60 57.4 |
38 49 54 |
2900 | 11 | 2.3 | 695 | 485 | 120 | 180 | 120 | 515 | 270 | 105 | 695 | 740 | 430 | 440 | Φ165 | Φ125 | 4-F18 | SD41-0.5 | 20 |
| 50-315(ط) |
17.5 25 32.5 |
4.86 6.94 9.03 |
128 125 122 |
30 40 44 |
2900 | 30 | 2.5 | 865 | 550 | 130 | 180 | 120 | 565 | 290 | 130 | 740 | 930 | 405 | 460 | Φ165 | Φ125 | 4-F18 | SD41-0.5 | 20 |
| 50-315(ط)أ |
16.6 23.7 31 |
4.61 6.58 8.6 |
115 113 110 |
30 40 44 |
2900 | 22 | 2.5 | 785 | 550 | 130 | 180 | 120 | 565 | 290 | 130 | 740 | 850 | 405 | 460 | Φ165 | Φ125 | 4-F18 | SD41-0.5 | 20 |
| 50-315(ط)ب |
15.7 22.5 29.2 |
4.36 6.25 8 |
103 101 98 |
30 39 42 |
2900 | 18.5 | 2.5 | 785 | 550 | 130 | 180 | 120 | 565 | 290 | 130 | 740 | 850 | 405 | 460 | Φ165 | Φ125 | 4-F18 | SD41-0.5 | 20 |
| 50-315(ط)ج |
14.4 20.6 26.8 |
4 5.72 7.44 |
86 85 83 |
38 46 40 |
2900 | 15 | 2.5 | 705 | 550 | 130 | 180 | 120 | 565 | 290 | 130 | 740 | 770 | 405 | 460 | Φ165 | Φ125 | 4-F18 | SD41-0.5 | 20 |
| 65-100 |
17.5 25 32.5 |
4.86 6.94 9.03 |
13.7 12.5 10.5 |
67 69 69 |
2900 | 1.5 | 2.5 | 495 | 325 | 95 | 160 | 100 | 380 | 220 | 95 | 455 | 510 | 280 | 310 | Φ165 | Φ125 | 4-F18 | SD41-0.5 | 20 |