تم تصميم مضخة الشفط الطرفية NDX المتينة من ZEN Machinery وفقًا للمعيار BS EN733/DIN24255. تتمتع هذه السلسلة من المضخات بمزايا كبيرة في شكل أجزاء قابلة للتبديل، وجودة عالية وتكلفة منخفضة، وتطبيق واسع في المصانع والمناجم وإمدادات المياه في المناطق الحضرية وأنظمة إطفاء الحرائق وأنظمة تكييف الهواء والري.
السلسلة A DIN24255 / EN 733 مضخة طرد مركزي قياسية
• إمدادات المياه والصرف الصحي
• برج التدفئة والتكييف والتبريد
• صابورة السفينة وقاعها
• الشواحن الفائقة والشواحن الفائقة
• الري والزراعة
• إمدادات المياه والصرف الصحي
• كيمياء الأغذية (باستخدام مواد الفولاذ المقاوم للصدأ)
سلسلة AD DIN24255 / EN 733 المضخات والمحركات النهائية القياسية
• إمدادات المياه والصرف الصحي
• برج التدفئة والتكييف والتبريد
• الحرائق والسلامة من الحرائق
• صابورة السفينة وقاعها
• الشواحن الفائقة والشواحن الفائقة
• البحوث والزراعة
• إمدادات المياه والصرف الصحي
• كيمياء الأغذية (باستخدام مواد الفولاذ المقاوم للصدأ)
| حجم إعادة التدوير | DN32 ~ 300 مم | سرعة التدفق | 4 ~ 1584 م³/ساعة |
| رأس | 2 ~ 150 م | ||
| متوسط درجة الحرارة: -10~85°C (قياسي) 85~105°°C(طلب خاص) | |||
|
ضغط العمل: .01.0MPa (قياسي) .61.6MPa (طلب خاص) |
|||
تم تصميم مجموعة مضخات الشفط الطرفية NDX عالية الجودة من ZEN Machinery وفقًا لمعايير BS EN733/DIN24255. تتميز هذه السلسلة من المضخات بمزايا تبادل المكونات، والجودة العالية، والتكلفة المنخفضة، وتستخدم على نطاق واسع في المصانع والمناجم وإمدادات المياه البلدية ومكافحة الحرائق وتكييف الهواء والري وغيرها من المجالات.
س: الحديد الزهر
س: قلم حبر جاف من الحديد الزهر
ج: النحاس
س: أستم 420
45 : 1045 م.
S304: أستم 304
S316: أستم 316
H: محمل صف مزدوج
G: المحاور والمحامل الكبيرة
الافتراضي: قياسي
م: الختم الميكانيكي
ع: حشو الضغط
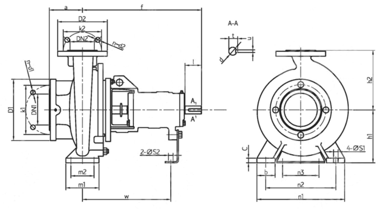
| تصميم | تتوافق الخصائص والأبعاد مع المعيار الأوروبي BSEN733/DIN24255 |
| تعبير | أفقي، شفط طرفي محوري، مرحلة واحدة، شفط نهائي، جسم حلزوني، مخرج خلفي |
| DN (مم) | 32 ~ 300 |
| شفة | DIN2501 PN16 جيجابايت/T17241.6 PN1.6 |
| جزء | المواد القياسية | خيارات عند الطلب |
| إطار | الحديد الزهر | الحديد القابل للطرق/ASTM304/ASTM316 |
| المكره | النحاس | الحديد الزهر/ASTM304/ASTM316 |
| رمح | أستم420 | ASTM304/ASTM316/ASTM1045 |
| ختم رمح | الطباعة الميكانيكية | التعبئة الغدة |
| سرعة التدفق (س) | 4~1584 متر مكعب/ساعة |
| الرأس (ح) | 2 ~ 150 م |
| سرعة | 1450 أو 2900 دورة في الدقيقة (50 هرتز)/1750 أو 3500 دورة في الدقيقة (60 هرتز) |
| درجة الحرارة القصوى | 85 درجة مئوية (قياسي)؛ 105 درجة مئوية (حسب الطلب) |
| ضغط العمل | 1.0 ميجاباسكال قياسي؛ 1.6 ميجا باسكال عند الطلب |
| وسيلة النقل | الماء النقي أو السوائل المشابهة للماء النقي في الخواص الفيزيائية. |
| الكود | تعيين |
| 1 | إطار |
| 2 | الجوز المكره |
| 2.1 | غسالة القفل |
| 3 | ارتداء خاتم |
| 3.1 | يرتدي خاتم |
| 4 | المكره |
| 5 | غطاء السكن |
| 6 | فاصل رمح |
| 7 | الختم الميكانيكي |
| 8 | غطاء الختم |
| 8.1 | يا الدائري |
| 9 | قاذفة مطاطية |
| 10 | تحمل الإطار |
| الكود | تعيين |
| 11 | رمح |
| 12 | الناقل |
| 13 | غطاء تحمل |
| 14 | دعم الساق |
| 14.1 | غسالة مسطحة |
| 15 | كم التغليف |
| 16 | قفص ختم التعبئة |
| كم الرقبة | |
| 17 | التعبئة الغدة |
| 18 | غطاء ختم الزيت |
| 19 | طوقا الإسكان |
| 20 | دبوس |
| 21 | دبوس |
| الكود | تعيين |
| 22 | دبوس |
| 23 | مفتاح |
| 24 | مفتاح |
| 25 | برغي بولت |
| 26 | كوب من الزبدة |
| 27 | شعرت بنفسي |
| ختم الزيت | |
| 28 | دبوس |
| 29 | سدادة |
| 30 | سدادة |
| 31 | مقياس الزيت |
| 32 | غطاء الزيت |
| 33 | طوقا الرقبة |


(ISO7005.2 DIN2501 PN16 جيجابايت/T17241.6 PN1.6)
| DN1/DN2 | 32 | 40 | 50 | 65 | 80 | 100 |
| د1/د2 | 140 | 150 | 165 | 185 | 200 | 220 |
| ك1/ك2 | 100 | 110 | 125 | 145 | 160 | 180 |
| ن-د1/ن-د2 | 4-f18 | 4-f18 | 4-f18 | 4-f18 | 8-f18 | 8-f18 |
| DN1/DN2 | 125 | 150 | 200 | 250 | 300 | 350 |
| د1/د2 | 250 | 285 | 340 | 405 | 460 | 520 |
| ك1/ك2 | 210 | 240 | 295 | 355 | 410 | 470 |
| ن-د1/ن-د2 | 8-f18 | 8-f22 | 12-φ22 | 12-ص26 | 12-ص26 | 16-φ26 |
| نموذج | تحمل القطر الداخلي | DN2 | الاسم المميز1 | a | f | h1 | h2 | b | C | ن3 | م1 | م2 | ن1 | ن2 | S1 | S2 | W | d | I | t | U | الكتلة (كجم) |
| أ32/13 | 25 | 32 | 50 | 80 | 360 | 112 | 140 | 50 | 14 | 100 | 100 | 70 | 190 | 140 | 14 | 14 | 267 | 24 | 50 | 27 | 8 | 29 |
| أ32/16 | 132 | 160 | 240 | 190 | 35 | |||||||||||||||||
| أ32/20 | 160 | 180 | 110 | 47 | ||||||||||||||||||
| أ32/26 | 100 | 180 | 225 | 65 | 125 | 95 | 320 | 250 | 58 | |||||||||||||
| أ40/13 | 40 | 65 | 80 | 112 | 140 | 50 | 100 | 100 | 70 | 210 | 160 | 31 | ||||||||||
| أ40/16 | 132 | 160 | 240 | 190 | 34 | |||||||||||||||||
| أ40/20 | 100 | 160 | 180 | 110 | 265 | 212 | 45 | |||||||||||||||
| A40/26(ح) | 180 | 225 | 65 | 125 | 95 | 320 | 250 | 61 | ||||||||||||||
| أ40/32 | 35 | 125 | 470 | 200 | 250 | 345 | 280 | 342 | 32 | 80 | 35 | 10 | 94 | |||||||||
| A40/32(ح) | 200 | 250 | 107 | |||||||||||||||||||
| A40/32G | 45 | 526 | 200 | 250 | 367 | 42 | 110 | 45 | 12 | 105 | ||||||||||||
| أ50/13 | 25 | 50 | 100 | 360 | 132 | 160 | 50 | 100 | 100 | 70 | 240 | 190 | 267 | 24 | 50 | 27 | 8 | 35 | ||||
| أ50/16 | 160 | 180 | 110 | 265 | 212 | 39 | ||||||||||||||||
| أ50/20 | 160 | 200 | 49 | |||||||||||||||||||
| أ50/26(ح) | 180 | 225 | 65 | 125 | 95 | 320 | 250 | 68 | ||||||||||||||
| A50/26G | 35 | 470 | 344 | 32 | 80 | 35 | 10 | 65 | ||||||||||||||
| أ50/32(ح) | 125 | 225 | 280 | 18 | 345 | 280 | 342 | 113 | ||||||||||||||
| ايه 50/32 جي | 45 | 50 | 65 | 125 | 526 | 225 | 280 | 65 | 18 | 125 | 95 | 345 | 280 | 367 | 42 | 110 | 45 | 12 | 105 | |||
| أ65/13 | 25 | 65 | 80 | 100 | 360 | 160 | 180 | 14 | 125 | 95 | 280 | 212 | 267 | 24 | 50 | 27 | 8 | 41 | ||||
| أ65/16 | 160 | 200 | 47 | |||||||||||||||||||
| A65/20(ح) | 180 | 225 | 320 | 250 | 55 | |||||||||||||||||
| A65/20 جرام | 35 | 465 | 339 | 32 | 80 | 35 | 10 | 60 | ||||||||||||||
| ج65/26 | 470 | 200 | 250 | 80 | 15 | 160 | 120 | 360 | 280 | 18 | 342 | 87 | ||||||||||
| A65/32(ح) | 125 | 225 | 280 | 18 | 400 | 315 | 110 | |||||||||||||||
| A65/32G | 45 | 525 | 225 | 280 | 18 | 367 | 42 | 110 | 45 | 12 | 120 | |||||||||||
| أ80/16 | 25 | 80 | 100 | 360 | 180 | 225 | 65 | 14 | 125 | 95 | 320 | 250 | 14 | 267 | 24 | 50 | 27 | 8 | 53 | |||
| أ80/20 | 35 | 470 | 180 | 250 | 15 | 345 | 280 | 342 | 32 | 80 | 35 | 10 | 76 | |||||||||
| أ80/26 | 200 | 280 | 80 | 160 | 120 | 400 | 315 | 18 | 95 | |||||||||||||
| A80/32(ح) | 250 | 315 | 16 | 118 | ||||||||||||||||||
| A80/32G | 45 | 526 | 16 | 367 | 42 | 110 | 45 | 12 | 130 | |||||||||||||
| أ80/40 | 530 | 280 | 355 | 83 | 18 | 440 | 340 | 370 | 160 | |||||||||||||
| أ100/16 | 35 | 100 | 125 | 470 | 200 | 250 | 80 | 15 | 360 | 280 | 342 | 32 | 80 | 35 | 10 | 87 | ||||||
| أ100/20 | 35 | 280 | 80 | 16 | 84 | |||||||||||||||||
| A100/26(ح) | 140 | 225 | 280 | 400 | 315 | 102 | ||||||||||||||||
| أ100/32 | 250 | 315 | 118 | |||||||||||||||||||
| A100/40 | 45 | 530 | 280 | 355 | 100 | 20 | 200 | 150 | 500 | 400 | 23 | 370 | 42 | 110 | 45 | 12 | 176 | |||||
| أ125/20 | 35 | 125 | 150 | 470 | 250 | 315 | 80 | 16 | 160 | 120 | 400 | 315 | 18 | 342 | 32 | 80 | 35 | 10 | 112 | |||
| أ125/26 | 250 | 355 | 117 | |||||||||||||||||||
| أ125/32 | 45 | 530 | 280 | 355 | 100 | 18 | 200 | 150 | 500 | 400 | 23 | 370 | 42 | 110 | 45 | 12 | 155 | |||||
| أ125/40 | 160 | 315 | 400 | 178 | ||||||||||||||||||
| FA125/50 | 55 | 670 | 355 | 450 | 25 | 550 | 450 | 500 | 48 | 110 | 51 | 14 | 300 | |||||||||
| A150/20 | 35 | 150 | 200 | 500 | 280 | 400 | 18 | 400 | 315 | 342 | 32 | 80 | 35 | 10 | 132 | |||||||
| أ150/26 | 45 | 530 | 250 | 355 | 450 | 350 | 370 | 42 | 110 | 45 | 12 | 163 | ||||||||||
| أ150/32 | 280 | 400 | 550 | 450 | 170 | |||||||||||||||||
| A150/40 | 315 | 450 | 207 | |||||||||||||||||||
| A150/50 | 55 | 180 | 670 | 375 | 500 | 22 | 500 | 48 | 51 | 14 | 330 | |||||||||||
| أ200/26 | 45 | 200 | 250 | 555 | 315 | 450 | 20 | 28 | 392 | 42 | 45 | 12 | 219 | |||||||||
| أ200/32 | 55 | 670 | 315 | 480 | 120 | 220 | 170 | 600 | 480 | 505 | 48 | 51 | 14 | 286 | ||||||||
| A200/40 | 335 | 480 | 250 | 328 | ||||||||||||||||||
| أ200/50 | 65 | 200 | 250 | 200 | 720 | 425 | 560 | 100 | 22 | 140 | 200 | 150 | 660 | 560 | 23 | 19 | 515 | 60 | 140 | 64 | 18 | 450 |
| A250/32 | 55 | 250 | 300 | 220 | 691 | 355 | 520 | 150 | 26 | 110 | 250 | 200 | 660 | 510 | 28 | 14 | 525 | 48 | 110 | 51 | 14 | 366 |
| A250/40 | 682 | 400 | 560 | 516 | 396 | |||||||||||||||||
| A250/50 | 65 | 250 | 300 | 250 | 720 | 450 | 670 | 120 | 32 | 140 | 240 | 190 | 750 | 650 | 23 | 19 | 515 | 60 | 140 | 64 | 18 | 550 |
| ايه 300/40 | 65 | 300 | 350 | 300 | 720 | 425 | 120 | 30 | 250 | 190 | 760 | 660 | 30 | 19 | 515 | 60 | 140 | 64 | 18 | 550 |