إن المكره والشفرة لمضخة الصرف الصحي المصنوعة من الحديد الزهر WQAS عالية الجودة من ZEN مصنوعة من الفولاذ المقاوم للصدأ عالي الكروم 420 مع صلابة HRC49-52 وتتميز بمقاومة جيدة للتآكل.
![]() |
قاعدة كابل راتنجات الايبوكسي يمكن أن يمنع قلب كابل راتنجات الإيبوكسي الرطوبة من دخول المحرك عبر الخط الأساسي. |
![]() |
حديد زهر عالي الدقة بدءًا من 3 كيلو واط، استخدم 3 محامل ثقيلة الفولاذ البارد 800# كهرباء |
![]() |
القطع التلقائي للحماية الحرارية إيقاف تشغيل الواقي الحراري تلقائيًا يتم تنشيط إيقاف تشغيل الواقي الحراري تلقائيًا ويقوم بقطع الطاقة تلقائيًا عندما يعمل المحرك بشكل غير طبيعي ومفرط. |
![]() |
الختم الميكانيكي يتكون الختم الميكانيكي المزدوج من ختمين متسلسلين. يضمن الختم الميكانيكي الفائق المقاوم للتآكل والمصنوع من كربيد السيليكون أفضل تأثير للختم. |
المكره آلة القطع مع حلقة القطع
1. تم تصميم المكره دون انسداد، والهيكل عقلاني
2. مادة المكره وحلقة السكين مصنوعة من الفولاذ المقاوم للصدأ عالي الكروم 420، والصلابة HRC49 - 52، وتتميز بمقاومة جيدة للتآكل.
1. محركات كهربائية نحاسية عالية الجودة بنسبة 100%.
2. مسامير من الفولاذ المقاوم للصدأ.
3. قواطع مطلية بالفولاذ المقاوم للصدأ / 304# من الفولاذ المقاوم للصدأ.
4. تصميم اثنين إلى ثلاثة أختام ميكانيكية.
5. الجزء الثابت من الفولاذ السليكوني.
6. الحديد الزهر لجودة عالية HT200/250.
7. الفولاذ البارد #600 - 800، عمر خدمة أطول، درجة حرارة أقل للمحرك.
8. محامل عالية الجودة.
9. تصميم رأس المضخة بالكامل للحفاظ على أداء مستقر
|
|
المشاريع | ملحوظات |
| قيود على الاستخدام | درجة حرارة السوائل. | 0 ~ 40 درجة مئوية (32 ~ 104 درجة فهرنهايت) |
| طلب | مياه الصرف الصحي المنزلية/الصناعية | |
| يكتب | تكرار | 50 هرتز أو 60 هرتز |
| محرك كهربائي | 2P (2900 دورة في الدقيقة أو 3450 دورة في الدقيقة) | |
| مواد العزل | الفئة واو | |
| حماية | IP68 | |
| مدافع | قاطع دائرة الحماية الحرارية أحادي الطور (ثلاث مراحل صفر) | |
| تحمل | نوع الكرة، 2-3 محامل ثقيلة | |
| الختم الميكانيكي | أختام مزدوجة M | |
| عجلة | زوبعة + القاطع |
| نموذج | كهرباء | الحد الأقصى للرأس | الحد الأقصى للتدفق | تخفيض | ||
| كيلووات | HP | M | م³/ساعة | بوصة | مم | |
| 50WQ10-10-1.1AS | 1.1 | 1.5 | 16 | 20 | 2" | 50 |
| 50WQ15-15-1.5AS | 1.5 | 2 | 19 | 24 | 2" | 50 |
| 50WQ15-20-2.2AS | 2.2 | 3 | 33 | 28 | 2" | 50 |
| 50WQ15-26-3AS | 3 | 4 | 32 | 35 | 2" | 50 |
| 50WQ15-30-4AS | 4 | 5.5 | 31 | 34 | 2" | 50 |
| 65WQ25-10-1.5AS | 1.5 | 2 | 17 | 40 | 2.5" | 65 |
| 65WQ25-15-2.2AS | 2.2 | 3 | 23 | 47 | 2.5" | 65 |
| 65WQ25-20-3AS | 3 | 4 | 26 | 49 | 2.5" | 65 |
| 65WQ25-26-4AS | 4 | 5.5 | 34 | 57 | 2.5" | 65 |
| 65WQ25-30-5.5AS | 5.5 | 7.5 | 36 | 63 | 2.5" | 65 |
| 65WQ25-35-7.5AS | 7.5 | 10 | 39 | 65 | 2.5" | 65 |
| 65WQ30-58-18.5AS | 18.5 | 25 | 59 | 80 | 2.5" | 65 |
| 80WQ40-10-2.2AS | 2.2 | 3 | 17 | 59 | 3" | 80 |
| 80WQ40-15-3AS | 3 | 4 | 21 | 63 | 3" | 80 |
| 80WQ40-20-4AS | 4 | 5.5 | 25 | 72 | 3" | 80 |
| 80WQ45-22-5.5AS | 5.5 | 7.5 | 31 | 82 | 3" | 80 |
| 80WQ45-25-7.5AS | 7.5 | 10 | 37 | 93 | 3" | 80 |
| 80WQ45-46-15AS | 15 | 20 | 57 | 104 | 3" | 80 |
| 80WQ45-52-18.5AS | 18.5 | 25 | 61 | 106 | 3" | 80 |
| 80WQ45-58-22AS | 22 | 30 | 74 | 110 | 3" | 80 |
| 100WQ60-9-3AS | 3 | 4 | 19 | 70 | 4" | 100 |
| 100WQ60-13-4AS | 4 | 5.5 | 27 | 93 | 4" | 100 |
| 100WQ65-15-5.5AS | 5.5 | 7.5 | 21 | 102 | 4" | 100 |
| 100WQ80-35-15AS | 15 | 20 | 51 | 153 | 4" | 100 |
| 100WQ100-13-7.5AS | 7.5 | 10 | 28 | 125 | 4" | 100 |
| 150WQ100-7-5.5AS | 5.5 | 7.5 | 23 | 136 | 6" | 150 |
| 150WQ120-12-7.5AS | 7.5 | 10 | 29 | 164 | 6" | 150 |
| لا. | اسم |
| 1 | تحمل |
| 2 | المحور الحركي |
| 3 | غلاف المحرك |
| 4 | المواد الكهربائية |
| 5 | تحمل |
| 6 | الختم الميكانيكي |
| ختم الزيت | |
| 7 | غلاف المضخة |
| 8 | عجلة + إدراج القطع |
| 9 | تخفيض |
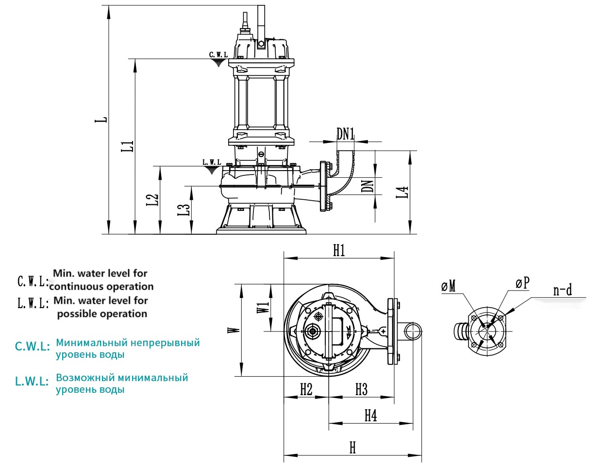
| نموذج. | الاسم المميز | الاسم المميز1 | L | L1 | L2 | L3 | L4 | W | W1 | H | H1 | H2 | ح3 | H4 | M | اختصار الثاني | P |
| 50WQ10-10-1.1AS | 50 | 51 | 570 | 420 | 155 | 108 | 195 | 205 | 103 | 386 | 251 | 103 | 148 | 257 | 110 | 4-Φ14 | 140 |
| 50WQ15-15-1.5AS | 50 | 51 | 590 | 440 | 166 | 118 | 239 | 243 | 122 | 413 | 278 | 122 | 156 | 265 | 110 | 4-Φ14 | 140 |
| 50WQ15-20-2.2AS | 50 | 51 | 610 | 460 | 166 | 118 | 239 | 243 | 122 | 413 | 278 | 122 | 156 | 265 | 110 | 4-Φ14 | 140 |
| 50WQ15-26-3AS | 50 | 51 | 650 | 495 | 182 | 132 | 253 | 262 | 131 | 435 | 300 | 131 | 169 | 278 | 110 | 4-Φ14 | 140 |
| 50WQ15-30-4AS | 50 | 51 | 690 | 525 | 182 | 132 | 253 | 262 | 131 | 435 | 300 | 131 | 169 | 278 | 110 | 4-Φ14 | 140 |
| 65WQ25-10-1.5AS | 65 | 64 | 600 | 450 | 176 | 123 | 244 | 243 | 122 | 399 | 286 | 122 | 164 | 245 | 130 | 4-Φ14 | 160 |
| 65WQ25-15-2.2AS | 65 | 64 | 620 | 460 | 176 | 123 | 244 | 243 | 122 | 399 | 286 | 122 | 164 | 245 | 130 | 4-Φ14 | 160 |
| 65WQ25-20-3AS | 65 | 64 | 655 | 500 | 190 | 135 | 256 | 266 | 133 | 429 | 316 | 133 | 183 | 264 | 130 | 4-Φ14 | 160 |
| 65WQ25-26-4AS | 65 | 64 | 695 | 530 | 190 | 135 | 256 | 266 | 133 | 429 | 316 | 133 | 183 | 264 | 130 | 4-Φ14 | 160 |
| 65WQ25-30-5.5AS | 65 | 64 | 740 | 570 | 203 | 147 | 268 | 300 | 150 | 467 | 354 | 150 | 204 | 285 | 130 | 4-Φ14 | 160 |
| 65WQ25-35-7.5AS | 65 | 64 | 770 | 600 | 203 | 147 | 268 | 300 | 150 | 467 | 354 | 150 | 204 | 285 | 130 | 4-Φ14 | 160 |
| 65WQ30-58-18.5AS | 65 | 64 | 995 | 757 | 234 | 174 | 298 | 336 | 168 | 495 | 400 | 168 | 232 | 295 | 130 | 4-Φ14 | 160 |
| 80WQ40-10-2.2AS | 80 | 74 | 630 | 470 | 178 | 125 | 260 | 255 | 133 | 413 | 300 | 122 | 178 | 254 | 150 | 4-Φ18 | 190 |
| 80WQ40-15-3AS | 80 | 74 | 665 | 510 | 197 | 139 | 274 | 267 | 137 | 433 | 320 | 131 | 189 | 265 | 150 | 4-Φ18 | 190 |
| 80WQ40-20-4AS | 80 | 74 | 705 | 540 | 197 | 139 | 274 | 267 | 137 | 433 | 320 | 131 | 189 | 265 | 150 | 4-Φ18 | 190 |
| 80WQ45-22-5.5AS | 80 | 74 | 750 | 580 | 211 | 151 | 286 | 300 | 150 | 477 | 364 | 150 | 214 | 290 | 150 | 4-Φ18 | 190 |
| 80WQ45-25-7.5AS | 80 | 74 | 780 | 610 | 211 | 151 | 286 | 300 | 150 | 477 | 364 | 150 | 214 | 290 | 150 | 4-Φ18 | 190 |
| 80WQ45-46-15AS | 80 | 74 | 960 | 722 | 234 | 174 | 313 | 336 | 168 | 508 | 400 | 168 | 232 | 303 | 150 | 4-Φ18 | 190 |
| 80WQ45-52-18.5AS | 80 | 74 | 995 | 757 | 234 | 174 | 313 | 336 | 168 | 508 | 400 | 168 | 232 | 303 | 150 | 4-Φ18 | 190 |
| 80WQ45-58-22AS | 80 | 74 | 1040 | 802 | 234 | 174 | 313 | 336 | 168 | 508 | 400 | 168 | 232 | 303 | 150 | 4-Φ18 | 190 |
| 100WQ60-9-3AS | 100 | 102 | 680 | 525 | 215 | 144 | 302 | 285 | 152 | 491 | 335 | 135 | 200 | 305 | 170 | 4-Φ18 | 210 |
| 100WQ60-13-4AS | 100 | 102 | 720 | 555 | 215 | 144 | 302 | 285 | 152 | 491 | 335 | 135 | 200 | 305 | 170 | 4-Φ18 | 210 |
| 100WQ65-15-5.5AS | 100 | 102 | 765 | 595 | 229 | 160 | 318 | 313 | 163 | 534 | 378 | 150 | 228 | 333 | 170 | 4-Φ18 | 210 |
| 100WQ80-35-15AS | 100 | 102 | 975 | 735 | 247 | 181 | 333 | 347 | 180 | 567 | 411 | 168 | 243 | 348 | 170 | 4-Φ18 | 210 |
| 100WQ100-13-7.5AS | 100 | 102 | 795 | 625 | 229 | 160 | 318 | 313 | 163 | 534 | 378 | 150 | 228 | 333 | 170 | 4-Φ18 | 210 |
| 150WQ100-7-5.5AS | 150 | 149 | 765 | 595 | 229 | 160 | 374 | 313 | 163 | 585 | 378 | 150 | 228 | 360 | 225 | 8-Φ18 | 265 |
| 150WQ120-12-7.5AS | 150 | 149 | 795 | 625 | 229 | 160 | 374 | 313 | 163 | 585 | 378 | 150 | 228 | 360 | 225 | 8-Φ18 | 265 |
مضخة مياه الصرف الصحي من الفولاذ المقاوم للصدأ من سلسلة 50WQ(D)S-CF
مضخة مياه الصرف الصحي من الفولاذ المقاوم للصدأ WQV
مضخة مياه الصرف الصحي من النوع الفولاذ المقاوم للصدأ WQS-G
WQD - C 2P آلة طحن مضخة مياه الصرف الصحي من الحديد الزهر
WQ-C 4P مضخة مياه الصرف الصحي من الحديد الزهر
القابض الأوتوماتيكي للتيار المتردد