شركة ZEN Machinery، الشركة المصنعة الصينية، تقدم المحرك الحثي ثلاثي الطور YE3/IE3 ذو الجودة العالية. تم تصميم هذا المحرك بما يتوافق بدقة مع معايير IEC 60034، ويتميز بمحامل NSK، وهيكل مغلق بالكامل مبرد بالهواء (IC411)، ويتميز بحماية IP55 وعزل من الفئة F، مما يضمن التشغيل المستقر في درجات الحرارة المحيطة حتى +50 درجة مئوية.
يعد المحرك التعريفي ثلاثي الطور YE3/IE3 عالي الجودة من ZEN Machinery مع الخدمة المستمرة S1 موثوقًا به لأنظمة مكافحة الحرائق، وذلك بفضل كفاءته المستقرة في استخدام الطاقة والحماية المغلقة بالكامل. لا تتردد في الاتصال بنا للحصول على معلومات أكثر تفصيلاً حول هذا المحرك المعتمد دوليًا.
| نموذج | قوة | دورة في الدقيقة | η | η | η | كوسφ | A | نانومتر | نهاية الخبر / تينيسي | تماكس / تينيسي | موجود/في | ديسيبل (أ) | كلغ | |||
| كيلووات | حصان | 1/دقيقة | % | 75% | 50% | 380 فولت | 400 فولت | 415 فولت | ||||||||
| YE3-801-2 | 0.75 | 1 | 2880 | 80.7 | 80.7 | 79.1 | 0.82 | 1.72 | 1.64 | 1.58 | 2.49 | 2.3 | 2.3 | 7 | 73 | 18.1 |
| YE3-802-2 | 1.1 | 1.5 | 2880 | 82.7 | 82.7 | 81 | 0.83 | 2.43 | 2.31 | 2.23 | 3.65 | 2.2 | 2.3 | 7.3 | 73 | 19.5 |
| YE3-90S-2 | 1.5 | 2 | 2895 | 84.2 | 84.2 | 82.5 | 0.84 | 3.22 | 3.06 | 2.95 | 4.95 | 2.2 | 2.3 | 7.6 | 76 | 23.3 |
| YE3-90L-2 | 2.2 | 3 | 2895 | 85.9 | 85.9 | 84.2 | 0.85 | 4.58 | 4.35 | 4.19 | 7.26 | 2.2 | 2.3 | 7.6 | 77 | 27.1 |
| YE3-100L-2 | 3 | 4 | 2895 | 87.1 | 87.1 | 85.4 | 0.87 | 6.02 | 5.71 | 5.51 | 9.9 | 2.2 | 2.3 | 7.8 | 79 | 38.8 |
| YE3-112M-2 | 4 | 5.5 | 2905 | 88.1 | 88.1 | 86.3 | 0.88 | 7.84 | 7.45 | 7.18 | 13.1 | 2.2 | 2.3 | 8.3 | 80 | 48.3 |
| YE3-132S1-2 | 5.5 | 7.5 | 2930 | 89.2 | 89.2 | 87.4 | 0.88 | 10.6 | 10.1 | 9.75 | 17.9 | 2 | 2.3 | 8.3 | 83 | 55.1 |
| YE3-132S2-2 | 7.5 | 10 | 2930 | 90.1 | 90.1 | 88.3 | 0.88 | 14.4 | 13.7 | 13.2 | 24.4 | 2 | 2.3 | 7.9 | 84 | 69.2 |
| YE3-160M1-2 | 11 | 15 | 2945 | 91.2 | 91.2 | 89.4 | 0.89 | 20.6 | 19.6 | 18.9 | 35.7 | 2 | 2.3 | 8.1 | 87 | 113 |
| YE3-160M2-2 | 15 | 20 | 2945 | 91.9 | 91.9 | 90.1 | 0.89 | 27.9 | 26.5 | 25.5 | 48.6 | 2 | 2.3 | 8.1 | 87 | 123 |
| YE3-160L-2 | 18.5 | 25 | 2940 | 92.4 | 92.4 | 90.6 | 0.89 | 34.2 | 32.5 | 31.3 | 60.1 | 2 | 2.3 | 8.2 | 90 | 142 |
| YE3-180M-2 | 22 | 30 | 2955 | 92.7 | 92.7 | 90.8 | 0.89 | 40.5 | 38.5 | 37.1 | 71.1 | 2 | 2.3 | 8.2 | 90 | 182 |
| YE3-200L1-2 | 30 | 40 | 2960 | 93.3 | 93.3 | 91.4 | 0.89 | 54.9 | 52.1 | 50.3 | 96.8 | 2 | 2.3 | 7.6 | 91 | 246 |
| YE3-200L2-2 | 37 | 50 | 2960 | 93.7 | 93.7 | 91.8 | 0.89 | 67.4 | 64 | 61.7 | 119.4 | 2 | 2.3 | 7.6 | 91 | 265 |
| YE3-225M-2 | 45 | 60 | 2965 | 94 | 94 | 92.1 | 0.9 | 80.8 | 76.8 | 74 | 144.9 | 2 | 2.3 | 7.7 | 93 | 323 |
| YE3-250M-2 | 55 | 75 | 2970 | 94.3 | 94.3 | 92.4 | 0.9 | 98.5 | 93.5 | 90.2 | 176.9 | 2 | 2.3 | 7.7 | 93 | 413 |
| YE3-280S-2 | 75 | 100 | 2975 | 94.7 | 94.7 | 92.8 | 0.9 | 134 | 127 | 122 | 240.8 | 1.8 | 2.3 | 7.1 | 94 | 546 |
| YE3-280M-2 | 90 | 125 | 2975 | 95 | 95 | 93.1 | 0.9 | 160 | 152 | 146 | 288.9 | 1.8 | 2.3 | 7.1 | 94 | 569 |
| YE3-315S-2 | 110 | 150 | 2978 | 95.2 | 95.2 | 93.3 | 0.9 | 195 | 185 | 179 | 352.8 | 1.8 | 2.3 | 7.1 | 94 | 897 |
| YE3-315M-2 | 132 | 180 | 2978 | 95.4 | 95.4 | 93.5 | 0.9 | 234 | 222 | 214 | 423.3 | 1.8 | 2.3 | 7.1 | 95 | 1029 |
| YE3-315L1-2 | 160 | 220 | 2980 | 95.6 | 95.6 | 93.7 | 0.91 | 279 | 265 | 256 | 512.8 | 1.8 | 2.3 | 7.2 | 95 | 1067 |
| YE3-315L2-2 | 200 | 270 | 2980 | 95.8 | 95.8 | 93.9 | 0.91 | 349 | 331 | 319 | 640.9 | 1.8 | 2.2 | 7.2 | 95 | 1194 |
| YE3-355M-2 | 250 | 340 | 2982 | 95.8 | 95.8 | 93.9 | 0.91 | 436 | 414 | 399 | 800.6 | 1.6 | 2.2 | 7.2 | 103 | 1685 |
| YE3-355L-2 | 315 | 430 | 2982 | 95.8 | 95.8 | 93.9 | 0.91 | 549 | 522 | 503 | 1009 | 1.6 | 2.2 | 7.2 | 103 | 1734 |
| نموذج | قوة | دورة في الدقيقة | η | η | η | كوسφ | A | نانومتر | نهاية الخبر / تينيسي | تماكس / تينيسي | موجود/في | ديسيبل (أ) | كلغ | |||
| كيلووات | حصان | 1/دقيقة | % | 75% | 50% | 380 فولت | 400 فولت | 415 فولت | ||||||||
| YE3-801-4 | 0.55 | 0.75 | 1400 | 80.8 | 80.8 | 79.2 | 0.75 | 1.38 | 1.31 | 1.26 | 3.75 | 2.4 | 2.3 | 5.2 | 63 | 17.6 |
| YE3-802-4 | 0.75 | 1 | 1420 | 82.5 | 82.5 | 80.9 | 0.75 | 1.84 | 1.75 | 1.69 | 5.04 | 2.3 | 2.3 | 6.6 | 63 | 18.4 |
| YE3-90S-4 | 1.1 | 1.5 | 1445 | 84.1 | 84.1 | 82.4 | 0.76 | 2.61 | 2.48 | 2.39 | 7.27 | 2.3 | 2.3 | 6.8 | 66 | 24.2 |
| YE3-90L-4 | 1.5 | 2 | 1445 | 85.3 | 85.3 | 83.6 | 0.77 | 3.47 | 3.3 | 3.18 | 9.91 | 2.3 | 2.3 | 7 | 66 | 29.7 |
| YE3-100L1-4 | 2.2 | 3 | 1450 | 86.7 | 86.7 | 85 | 0.81 | 4.76 | 4.52 | 4.36 | 14.6 | 2.3 | 2.3 | 7.6 | 68 | 41.5 |
| YE3-100L2-4 | 3 | 4 | 1450 | 87.7 | 87.7 | 85.9 | 0.82 | 6.34 | 6.02 | 5.8 | 20 | 2.3 | 2.3 | 7.6 | 68 | 46 |
| YE3-112M-4 | 4 | 5.5 | 1450 | 88.6 | 88.6 | 86.8 | 0.82 | 8.37 | 7.95 | 7.66 | 26.5 | 2.2 | 2.3 | 7.8 | 72 | 63.2 |
| YE3-132S-4 | 5.5 | 7.5 | 1460 | 89.6 | 89.6 | 87.8 | 0.83 | 11.2 | 10.7 | 10.3 | 36 | 2 | 2.3 | 7.9 | 74 | 71.2 |
| YE3-132M-4 | 7.5 | 10 | 1460 | 90.4 | 90.4 | 88.6 | 0.84 | 15 | 14.3 | 13.7 | 49.1 | 2 | 2.3 | 7.5 | 77 | 85.1 |
| YE3-160M-4 | 11 | 15 | 1465 | 91.4 | 91.4 | 89.6 | 0.85 | 21.5 | 20.4 | 19.7 | 71.7 | 2.2 | 2.3 | 7.7 | 78 | 121 |
| YE3-160L-4 | 15 | 20 | 1465 | 92.1 | 92.1 | 90.3 | 0.86 | 28.8 | 27.3 | 26.3 | 97.8 | 2.2 | 2.3 | 7.8 | 82 | 142 |
| YE3-180M-4 | 18.5 | 25 | 1470 | 92.6 | 92.6 | 90.7 | 0.86 | 35.3 | 33.5 | 32.3 | 120.2 | 2 | 2.3 | 7.8 | 82 | 181 |
| YE3-180L-4 | 22 | 30 | 1470 | 93 | 93 | 91.1 | 0.86 | 41.8 | 39.7 | 38.3 | 142.9 | 2 | 2.3 | 7.8 | 82 | 209 |
| YE3-200L-4 | 30 | 40 | 1475 | 93.6 | 93.6 | 91.7 | 0.86 | 56.6 | 53.8 | 51.8 | 194.2 | 2 | 2.3 | 7.3 | 84 | 284 |
| YE3-225S-4 | 37 | 50 | 1485 | 93.9 | 93.9 | 92 | 0.86 | 69.6 | 66.1 | 63.7 | 237.9 | 2 | 2.3 | 7.4 | 85 | 328 |
| YE3-225M-4 | 45 | 60 | 1485 | 94.2 | 94.2 | 92.3 | 0.86 | 84.4 | 80.2 | 77.3 | 289.4 | 2 | 2.3 | 7.4 | 86 | 363 |
| YE3-250M-4 | 55 | 75 | 1485 | 94.6 | 94.6 | 92.7 | 0.86 | 103 | 97.6 | 94.1 | 353.7 | 2.2 | 2.3 | 7.4 | 86 | 442 |
| YE3-280S-4 | 75 | 100 | 1486 | 95 | 95 | 93.1 | 0.88 | 136 | 139 | 125 | 482 | 2 | 2.3 | 6.9 | 89 | 569 |
| YE3-280M-4 | 90 | 125 | 1486 | 95.2 | 95.2 | 93.3 | 0.88 | 163 | 155 | 149 | 578.4 | 2 | 2.3 | 6.9 | 89 | 639 |
| YE3-315S-4 | 110 | 150 | 1488 | 95.4 | 95.4 | 93.5 | 0.89 | 197 | 187 | 180 | 706 | 2 | 2.2 | 7 | 89 | 939 |
| YE3-315M-4 | 132 | 180 | 1488 | 95.6 | 95.6 | 93.7 | 0.89 | 236 | 224 | 216 | 847.2 | 2 | 2.2 | 7 | 92 | 1033 |
| YE3-315L1-4 | 160 | 220 | 1488 | 95.8 | 95.8 | 93.9 | 0.89 | 285 | 271 | 261 | 1027 | 2 | 2.2 | 7.1 | 92 | 1126 |
| YE3-315L2-4 | 200 | 270 | 1490 | 96 | 96 | 94.1 | 0.9 | 352 | 334 | 322 | 1282 | 2 | 2.2 | 7.1 | 92 | 1238 |
| YE3-355M-4 | 250 | 340 | 1490 | 96 | 96 | 94.1 | 0.9 | 440 | 418 | 403 | 1602 | 2 | 2.2 | 7.1 | 101 | 1830 |
| YE3-355L-4 | 315 | 430 | 1490 | 96 | 96 | 94.1 | 0.9 | 554 | 526 | 507 | 2019 | 2 | 2.2 | 7.1 | 101 | 1950 |
| لا. |
وصف | مادة |
| 1 | غطاء المروحة | الحديد الزهر |
| 2 | مروحة | بلاستيك |
| 3 | الدرع الخلفي | الحديد الزهر |
| 4 | تحمل الخلفي | محمل كروي |
| 5 | إطار | الحديد الزهر |
| 6 | الجزء الثابت مع لف | السيليكون الصلب/النحاس |
| 7 | روتور | الصلب السيليكون |
| 8 | خدد | الحديد الزهر |
| لا. | وصف | مادة |
| 9 | فال | 45# فولاذ |
| 10 | درع المحمل الأمامي | الحديد الزهر |
| 11 | غطاء تحمل | الحديد الزهر |
| 12 | ختم | ممحاة |
| 13 | بولت | فُولاَذ |
| 14 | تحمل الجبهة | محمل كروي |
| 15 | غطاء المحمل الداخلي | الحديد الزهر |
| 16 | وسادة | ممحاة |
| لا. |
وصف | مادة |
| 17 | أفسد | فُولاَذ |
| 18 | وسادة | ممحاة |
| 19 | غطاء صندوق المحطة | الألومنيوم |
| 20 | مربع المحطة | بلاستيك |
| 21 | مربع المحطة | الألومنيوم |
| 22 | غطاء صندوق المحطة | بلاستيك |
| 23 | لوحة | الألومنيوم |
| 24 | ختم | ممحاة |
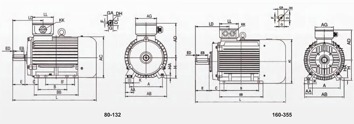
| نموذج |
الأبعاد مم | |||||||||||||||||||||||
| A | أأ | أ.ب | تكييف | إعلان | اي جي | B | ب | C | D | درهم | E | إب | الضعف الجنسي | F | G | جا | H | ها | K | ك | L | إل دي | إل إل | |
| 80 | 125 | 34 | 160 | 167 | 147 | 102 | 100 | 150 | 50 | 19 | M6X16 | 40 | 30 | 2.5 | 6 | 15.5 | 21.5 | 80 | 10 | 4-Φ10 | 1-M25X1.5 | 304 | 119 | 102 |
| 90S | 140 | 36 | 176 | 182.4 | 154.5 | 102 | 100 | 161 | 56 | 24 | M8X19 | 50 | 40 | 5 | 8 | 20 | 27 | 90 | 12 | 4-Φ10 | 1-M25X1.5 | 336 | 143 | 102 |
| 90 لتر | 140 | 36 | 176 | 182.4 | 154.5 | 102 | 125 | 186 | 56 | 24 | M8X19 | 50 | 40 | 5 | 8 | 20 | 27 | 90 | 12 | 4-f10 | 1-M25X1.5 | 361 | 143 | 102 |
| 100 لتر | 160 | 40 | 200 | 205.4 | 166 | 102 | 140 | 213 | 63 | 28 | M10X22 | 60 | 50 | 5 | 8 | 24 | 31 | 100 | 14 | 4-Φ12 | 1-M32X1.5 | 406 | 147 | 102 |
| 112 م | 190 | 50 | 240 | 230 | 188 | 118 | 140 | 188 | 70 | 28 | M10X22 | 60 | 50 | 5 | 8 | 24 | 31 | 112 | 15 | 4-f12 | 2-M32X1.5 | 394 | 147 | 110 |
| 132س | 216 | 55 | 265 | 258.4 | 203 | 118 | 140 | 186 | 89 | 38 | M12X28 | 80 | 65 | 5 | 10 | 33 | 41 | 132 | 18 | 4-f12 | 2-M32X1.5 | 438 | 172 | 110 |
| 132 م | 216 | 55 | 265 | 258.4 | 203 | 118 | 178 | 224 | 89 | 38 | M12X28 | 80 | 65 | 7.5 | 10 | 33 | 41 | 132 | 18 | 4-f12 | 2-M32X1.5 | 476 | 172 | 110 |
| 160 م | 254 | 65 | 314 | 314 | 251 | 162 | 210 | 260 | 108 | 42 | M16X36 | 110 | 90 | 7.5 | 12 | 37 | 45 | 160 | 20 | 4-φ14.5 | 2-M40X1.5 | 608 | 256 | 152 |
| 160 لتر | 254 | 65 | 314 | 314 | 251 | 162 | 254 | 304 | 108 | 42 | M16X36 | 110 | 90 | 10 | 12 | 37 | 45 | 160 | 20 | 4-φ14.5 | 2-M40X1.5 | 652 | 256 | 152 |
| 180 م | 279 | 70 | 349 | 355 | 267 | 162 | 241 | 311 | 121 | 48 | M16X36 | 110 | 90 | 10 | 14 | 42.5 | 51.5 | 180 | 22 | 4-φ14.5 | 2-M40X1.5 | 688 | 271 | 152 |
| 180 لتر | 279 | 70 | 349 | 355 | 267 | 162 | 279 | 349 | 121 | 48 | M16X36 | 110 | 90 | 10 | 14 | 42.5 | 51.5 | 180 | 22 | 4-φ14.5 | 2-M40X1.5 | 726 | 271 | 152 |
| 200 لتر | 318 | 70 | 388 | 397 | 299 | 210 | 305 | 369 | 133 | 55 | M20X42 | 110 | 100 | 10 | 16 | 49 | 59 | 200 | 25 | 4-Φ18.5 | 2-M50X1.5 | 779 | 296 | 190 |
| 225S | 356 | 75 | 431 | 446 | 322 | 210 | 286 | 368 | 149 | 60 | M20X42 | 140 | 125 | 5 | 18 | 53 | 64 | 225 | 28 | 4-φ18.5 | 2-M50X1.5 | 824 | 329 | 190 |
| 225 م | 356 | 75 | 431 | 446 | 322 | 210 | 311 | 393 | 149 | 55 | M20X42 | 110 | 100 | 7.5 | 16 | 49 | 59 | 225 | 28 | 4-φ18.5 | 2-M50X1.5 | 819 | 299 | 190 |
| 250 م | 406 | 80 | 484 | 485 | 358 | 248 | 349 | 445 | 168 | 60 | M20X42 | 140 | 125 | 7.5 | 18 | 53 | 64 | 250 | 30 | 4-φ24 | 2-M63X1.5 | 910 | 347 | 218 |
| 280S | 457 | 85 | 542 | 547 | 387 | 248 | 368 | 485 | 190 | 65 | M20X42 | 140 | 125 | 7.5 | 18 | 58 | 69 | 280 | 35 | 4-φ24 | 2-M63X1.5 | 982 | 355.5 | 218 |
| 280 م | 457 | 85 | 542 | 547 | 387 | 248 | 419 | 536 | 190 | 65 | M20X42 | 140 | 125 | 7.5 | 18 | 58 | 69 | 280 | 35 | 4-φ24 | 2-M63X1.5 | 1033 | 355.5 | 218 |
| 315S | 508 | 120 | 628 | 620 | 527 | 320 | 406 | 570 | 216 | 65 | M20X42 | 140 | 125 | 7.5 | 18 | 58 | 69 | 315 | 45 | 4-ص28 | 2-M63X1.5 | 1194 | 397 | 280 |
| 315 م | 508 | 120 | 628 | 620 | 527 | 320 | 457 | 680 | 216 | 65 | M20X42 | 140 | 125 | 7.5 | 18 | 58 | 69 | 315 | 45 | 4-ص28 | 2-M63X1.5 | 1304 | 397 | 280 |
| 315 لتر | 508 | 120 | 628 | 620 | 527 | 320 | 508 | 680 | 216 | 65 | M20X42 | 140 | 125 | 7.5 | 18 | 58 | 69 | 315 | 45 | 4-ص28 | 2-M63X1.5 | 1304 | 397 | 280 |
| 355 م | 610 | 116 | 726 | 698 | 642 | 380 | 560 | 750 | 254 | 75 | M20X42 | 140 | 130 | 5 | 20 | 67.5 | 79.5 | 355 | 52 | 6-Φ28 | 2-M63X1.5 | 1486 | 414 | 330 |
| 355 لتر | 610 | 116 | 726 | 698 | 642 | 380 | 630 | 750 | 254 | 75 | M20X42 | 140 | 130 | 5 | 20 | 67.5 | 79.5 | 355 | 52 | 6-φ28 | 2-M63X1.5 | 1486 | 414 | 330 |